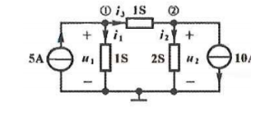
图示电路中结点②的结点电压方程( )


- A.见图A
- B.见图B
- C.见图C
- D.见图D
正确答案及解析
正确答案
解析
你可能感兴趣的试题
2015年8月9日,甲市运输管理处的执法人员在甲市天长西路路面稽查时发现,B市赵军驾驶小型货车,前往乙地运货,车上载有60箱雪碧。执法人员俞某、王某将其拦下,并告知其身份、出示执法证件。经现场检查,赵军当场无法出示道路运输驾驶员货物从业资格证件。执法人员当场作出了扣押其运输车辆的决定,当事人赵军强烈反抗,阻止执法人员扣留其车辆的行为,致使一名执法人员轻微伤。8月10日,该运输管理处依据《道路运输从业人员管理规定》第48条第1款的规定,作出了给予赵军罚款人民币2000元的行政处罚。甲市运输管理处扣押赵军车辆的行为属于:( )
-
- A.行政强制措施
- B.行政强制执行
- C.行政处罚措施
- D.行政保管措施
- 查看答案
唐一、孙二与朱三、沙四两家因甲县乙乡丙村集体土地承包经营权发生纠纷,双方均认为对争议的集体土地享有承包经营权,朱三和沙四一直要求唐一拆除其在争议土地东侧所建的两间瓦房、猪圈和厕所。2015年5月21日上午,朱三到唐一自建的瓦房前,要求唐一拆除房屋,唐一不同意,双方发生争吵,朱三便拿放在瓦房门口的铁锹顶坏了房顶上的瓦片,唐一上前阻止,并与其厮打在一起,后孙二、沙四相继赶到,加入到厮打中。行政机关根据各方过错程度作出了不同的行政处罚:给予唐一行政拘留5日、孙二行政拘留3日、朱三行政拘留3日、沙四行政拘留9日的处罚。如果本案的一方当事人欲对该行政拘留决定提起行政复议,则可以向( )提起。
-
- A.甲县公安局
- B.甲县人民政府
- C.甲县司法局
- D.乙乡人民政府
- 查看答案
2015年1月15日,兰某与黄某二人到金水桥游览。二人手里拿着矿泉水来到金水桥,兰某突然不知被什么东西绊倒,矿泉水随之脱落。黄某见状上前去捡那瓶矿泉水,不小心又被兰某绊倒。此时,两名特警就将黄某、兰某二人扶拉起来,接着民警就将二人带上警车,拉到天安门地区分局,后二人被处以行政拘留处罚。天安门地区分局对二人作出了治安管理处罚后,兰某表示不服,认为天安门地区分局做出的行政拘留处罚认定事实胡编乱造,且自己跌倒的行为构不成现场混乱,不属于扰乱公共场所秩序的行为,并且认为天安门地区分局的行为是非法拘禁,侵犯了自己的人身权。兰某认为天安门地区分局的行为构成非法拘禁,对其人身权造成了侵害。下列关于非法拘禁说法正确的是:( )
-
- A.非法拘禁罪侵害的客体是他人的人身自由权利
- B.对于认定非法拘禁罪的方法方式有着明确的限制,即非法拘禁的方式必须是强制性的
- C.非法拘禁罪的主体为国家机关工作人员
- D.构成非法拘禁罪在主观方面是出于故意,并且具有非法剥夺他人人身自由的目的,为索取债务而非法拘禁他人的,不构成本罪
- 查看答案
适应新常态是全国上下共同的使命,这其中既有重重挑战,也有许多机遇,关键看如何变挑战为动力,变机遇为现实。新常态下该有怎样的思维和作为,地处苏北的年轻地级市宿迁,以其特有的改革精神和创新意识,迎着巨大考验,努力书写着新常态下的新答卷。走进这场思想风暴不难发现,宿迁思维中有三个重要的维度:一是转型升级中如何发挥市场的“决定性作用”。在宿迁的决策者看来,党委政府要发挥政策顶层设计、产业宏观规划、环境法治保障等方面的作用,同时,要千方百计为市场和社会松绑,让市场在转型升级中的作用更加突出、更加显性、更加直接,这个思考无疑非常契合新常态的要求。二是产业布局中的生态优先如何落实到位。生态优先前提下的产业升级思维不能动摇。三是如何在即期不失序中精准把握未来方向。当前发展在尊重规律的前提下,该抓的发展机遇要抓,该保持的速度要保持,而转型升级不是简单把速度降下来、把产能转出去。当前,在“三期叠加”和各种矛盾交织的大背景下,新思维和责任心更为珍贵。从宿迁的实践不难发现,“只要精神不滑坡,办法总比困难多”的宿迁精神特质,在今天依然熠熠生辉,而且不断生长出新的内涵,体现在转型升级上,就是不仅要解决“转”的问题,还要解决“新”的问题,不仅要“敢于”,还要“善于”,不仅要自律,还要他律。新常态下,转型升级在路上,作为改革排头兵的宿迁,发展中的新思维、新探索,值得去跟踪、发现、借鉴。材料中提出,在产业布局中落实生态优先,这是对于我国提倡生态文明建设的一个有力体现。下列对于生态文明建设的说法中错误的是:( )
-
- A.与国外可持续发展思想相比较,我国的生态文明建设理念更加科学,更加契合中国国情
- B.生态文明建设是与科教兴国、可持续发展等战略一样的国家战略
- C.生态文明建设不是不要发展,而是要高产出、高效益、高品质的发展
- D.广义生态文明建设包括生态环境建设、生态经济建设、生态社会建设、生态文化建设等方面
- 查看答案
下列关于本公文发文机关署名和成文日期的编排,表述正确的是:( )-
- A.成文日期中的数字应该用阿拉伯数字
- B.成文日期应右空2字
- C.发文机关署名应该删去
- D.发文机关只用署名“××省委办公厅”即可
- 查看答案