某环保工程项目,发承包双方签订了工程施工合同。合同约定:工期270天。管理费和利润按人材机费用之和的20%计取,规费和增值税税金按人材机费、管理费和利润之和的13%计取。人工单价按150元/工日计、人工窝工补偿按其单价的60%计,施工机械台班单价按1200元/台班计、施工机械闲置补偿按其台班单价的70%计。人工窝工和施工机械闲置补偿均不计取管理费和利润;各分部分项工程的措施费按其相应工程费的25%计取。(无特别说明的,费用计算时均按不含税价格考虑)。
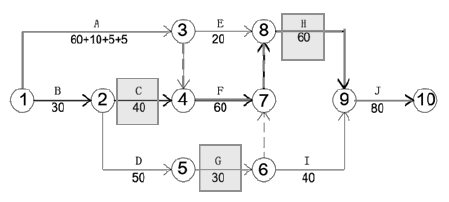
承包人编制的施工进度计划获得了监理工程师批准、如图3.1所示。

该工程项目施工过程中发生了如下事件:
事件1:分项工程A施工至第15天时、发现地下埋藏文物、由相关部门进行了处置,造成承包人停工10天,人员窝工110个工日、施工机械闲置20个台班。配合文物处置、承包人发生人工费3000元、保护措施费1600元。承包人及时向发包人提出工期延期和费用索赔。
事件2:文物处置工作完成后,①发包人提出了地基夯实设计变更,致使分项工程A延长5天工作时间,承包人增加用工50个工日、增加施工机械5个台班、增加材料费35000元。②为了确保工程质量、承包人将地基夯实处理设计变更的范围扩大了20%,由此增加了5天工作时间、增加人工费2000元、材料费3500元、施工机械使用费2000元。承包人针对①、②两项内容及时提出工期延期和费用索赔。
事件3:分项工程C、G、H共用同一台专用施工机械顺序施工,承包人计划第30天末租赁该专用施工机械进场,第190天末退场。
事件4:分项工程H施工中,使用的某种暂估价材料的价格上涨了30%,该材料的暂估单价为392.4元/m2(含可抵扣进项税9%),监理工程师确认该材料使用数量为800m2。
问题:
1.事件一中,承包人提出的工期延期和费用索赔是否成立?说明理由。如果成立,承包人应获得的工期延期为多少天?费用索赔额为多少元?
2.事件二中,分别指出承包人针对①、②两项内容所提出的工期延期和费用索赔是否成立?说明理由。承包人应获得的工期延期为多少天?说明理由。费用索赔为多少元?
3.根据图3.1,在答题卡给出的时标图表上,绘制继事件1、2发生后承包人的早时标网络施工进度计划。实际工期为多少天?事件3中专用施工机械最迟须第几天末进场?在此情况下,该机械在施工现场的闲置时间最短为多少天?

4.事件4中,分项工程H的工程价款增加金额为多少元?
正确答案及解析
正确答案
解析
问题1:答案
(1)工期索赔不成立。理由:A工作为非关键工作,其总时差为10天,停工10天未超过其总时差,对总工期无影响。所以工期索赔不成立。
(2)费用索赔成立。理由:因事件1发现地下埋藏文物属于发包人应该承担的责任,可以进行费用的索赔。
(3)事件1后,工期仍为270天,承包人应获得的工期延期为0天。
(4)费用索赔额=(110工日×150元/工日×60%窝工补偿+20台班×1200元/台班×70%机械闲置)×(1+13%规税)+3000人工费×(1+20%管利)×(1+13%规税)+1600措施费×(1+13%规税)=36047(元)
问题2:答案
(1)①工期索赔成立。理由:发包人提出地基夯实设计变更属于发包人应该承担的责任。事件1发生后A变为关键工作,所以A延长5天影响总工期推后5天。
费用索赔成立。理由:发包人提出地基夯实设计变更属于发包人应该承担的责任。应给予承包人合理费用。
②工期和费用索赔均不成立。理由:承包人扩大夯实处理范围是为了确保工作质量的施工措施,属于承包人应该承担的责任。
(2)承包人应获得的工期延期为5天。理由:事件1、2发生后,关键线路为:A-F-H-J,业主同意的工期为275天,所以A延长5天应当索赔。
(3)费用索赔额=(50工日×150元/工日+5台班×1200元/台班+35000材料费)×(1+20%管利)×(1+25%措施费)×(1+13%规税)=82207.5(元)
问题3:答案
(1)时标网络图


(2)实际工期=280天。
(3)事件3中“专用施工机械”最迟须第40天末进场。
(4)在此情况下,该机械在场时间=200-40=160,机械的工作时间=40+30+60=130,机械的闲置时间最短为=160-130=30天。
问题4:答案
不含税暂估单价=392.4/(1+9%)=360(元)
分项工程H的工程价款增加金额=(360元/m2×30%价格上涨率)×800m2×(1+20%管利)×(1+25%措施费×0物价上涨不会造成措施费提高)(1+13%规税)=117158.4(元)
你可能感兴趣的试题
根据《招标投标法实施条例》,依法必须进行招标的项目可以不进行招标的情形是()。
-
- A.受自然环境限制只有少量潜在投标人
- B.需要采用不可替代的专利或者专有技术
- C.招标费用占项目合同金额的比例过大
- D.因技术复杂只有少量潜在投标人
- 查看答案
建设工程项目采用Partnering模式的特点有( )。
-
- A.Partnering协议是工程建设参与各方共同签署的协议
- B.Partnering协议是工程合同文件的组成部分
- C.Partnering模式需要工程建设参与各方高层管理者的参与
- D.Partnering模式强调资源共享和风险分担
- E.Partnering模式可以独立于其他承包模式而存在
- 查看答案
根据《工程造价咨询企业管理办法》,工程造价咨询企业可被处1万元以上3万元以下罚款的情形是( )。
-
- A.跨地区承接业务不备案的
- B.出租.出借资质证书的
- C.设立分支机构未备案的
- D.提供虚假材料申请资质的
- 查看答案
关于Partnering模式的说法,正确的是( )。
-
- A.Partnering协议是业主与承包商之间的协议
- B.Partnering模式是一种独立存在的承发包模式
- C.Partnering模式特别强调工程参建各方基层人员的参与
- D.Partnering协议不是法律意义上的合同
- 查看答案
下列工程中,属于分部工程的是( )
-
- A.既有工厂的车间扩建工程
- B.工业车间的设备安装工程
- C.房屋建筑的装饰装修工程
- D.基础工程中的土方开挖工程
- 查看答案