工程背景资料如下:
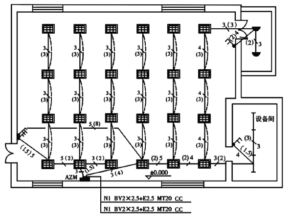
1. 图7所示为某综合楼底层会议室的照明平面图。

图7 某综合楼底层会议室的照明平面图
【说明】
1. 照明配电箱AZM电源由本层总配电箱引来。
2. 管路为镀锌电线管沿墙、楼板暗配,顶管敷设标高除雨篷为4m外,其余均为5m。管内穿绝缘导线BV-500 2.5mm2管内穿线管径选择:3根线选用镀锌电线管Φ20;4~5根线选用镀锌电线管Φ25。所有管路内均带一根专用接地线(PE线)。
3. 配管水平长度见上图括号内数字,单位为m。
2. 照明工程的相关定额见表15。
表15 照明工程的相关定额


3. 该工程的人工费单价为80元/工日,管理费和利润分别按人工费的50%和30%计算。
4. 相关分部分项工程量清单项目统一编码见表16。
表16 相关部分项工程量清单项目统一编码

【问题】
1. 按照背景资料1~4和表14所示内容,根据《建设工程工程量清单计价规范》(GB 50500-2013)和《通用安装工程工程量计算规范》(GB 50856-2013)的规定,分别列式计算管、线工程量,将计算结果填入表17“分部分项工程和单价措施项目清单与计价表”中,编制该工程的分部分项工程和单价措施项目清单与计价表。
表17 分部分项工程和单价措施项目清单与计价表
工程名称:会议室照明工程 标段:底层会议室照明安装


2. 设定该工程镀锌电线管Φ20暗配的清单工程量为70m,其余条件均不变,根据上述相关定额计算镀锌电线管Φ20暗配项目的综合单价,并填入表18“综合单价分析表”中。(注:保留两位小数)
表18 综合单价分析表
工程名称:会议照明工程 标段:底层会议室照明安装

注:各分项之间用横线分开。
正确答案及解析
正确答案
解析
1. 计算工程量并填表。
(1)镀锌电线管Φ20 暗配工程量计算式:
3线:3×3×5+2+[3+(5-4)]+2+3+2+[1.5+ (5-1.5-0.3)]+[4+(5-1.5-0.3)]=69.9m
(2)镀锌电线管Φ25 暗配工程量计算式:
4线:3×3+2+[1.5+(5-1.3)]+[2+(4-1.3)]
=20.9m
5线:2+2+[8+(5-1.3)]+[1.5+(5-1.3)]
=20.9m
合计:20.9+20.9=41.8m

(3)管内穿线 BV-500 2.5mm2工程量计算式:
3×69.9+4×20.9+5×20.9+[(0.5+0.3)×3×2]
=402.6m
(4)分部分项工程和单价措施项目清单与计价表见表26。
表26 分部分项工程和单价措施项目清单与计价表
工程名称:会议室照明工程 标段:底层会议室照明安装


2. 填写综合单价分析表见表27。
表27 综合单价分析表
工程名称:会议照明工程 标段:底层会议室照明安装

你可能感兴趣的试题
根据《招标投标法实施条例》,依法必须进行招标的项目可以不进行招标的情形是()。
-
- A.受自然环境限制只有少量潜在投标人
- B.需要采用不可替代的专利或者专有技术
- C.招标费用占项目合同金额的比例过大
- D.因技术复杂只有少量潜在投标人
- 查看答案
建设工程项目采用Partnering模式的特点有( )。
-
- A.Partnering协议是工程建设参与各方共同签署的协议
- B.Partnering协议是工程合同文件的组成部分
- C.Partnering模式需要工程建设参与各方高层管理者的参与
- D.Partnering模式强调资源共享和风险分担
- E.Partnering模式可以独立于其他承包模式而存在
- 查看答案
根据《工程造价咨询企业管理办法》,工程造价咨询企业可被处1万元以上3万元以下罚款的情形是( )。
-
- A.跨地区承接业务不备案的
- B.出租.出借资质证书的
- C.设立分支机构未备案的
- D.提供虚假材料申请资质的
- 查看答案
关于Partnering模式的说法,正确的是( )。
-
- A.Partnering协议是业主与承包商之间的协议
- B.Partnering模式是一种独立存在的承发包模式
- C.Partnering模式特别强调工程参建各方基层人员的参与
- D.Partnering协议不是法律意义上的合同
- 查看答案
根据我国《价格法》,制定关系群众切身利益的公用事业价格、公益性服务价格、自然垄断经营的商品价格时,应当建立( )制度。
-
- A.听证会
- B.公示
- C.专家审议
- D.人民代表评议
- 查看答案