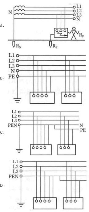
保护接地和保护接零是防止间接接触电击的基本技术措施,其中保护接零系统称为TN系统,包括TN-S、TN-C-S、TN-C三种方式。下列电气保护系统图中,属于TN-C系统的是( )。

- A.见图A
- B.见图B
- C.见图C
- D.见图D
正确答案及解析
正确答案
D
解析
TN系统分为TN-S、TN-C-S、TN-C三种方式。TN-S系统是保护零线与中性线完全分开的系统;TN-C-S系统是干线部分的前一段保护零线与中性线共用,后一段保护零线与中性线分开的系统;TN-C系统是干线部分保护零线与中性线完全共用的系统。
A选项为TT系统,不属于TN系统。B选项为TN-S系统。C选项为TN-C-S系统。D选项为TN-C系统。
你可能感兴趣的试题
依据《工伤保险条例》,职工因工死亡,其近亲属可按照规定从工伤保险基金领取丧葬补助金、供养亲属抚恤金和一次性工亡补助金。其中一次性工亡补助金标准为上一年度( )的20倍。
-
- A.所在企业员工人均可支配收入
- B.所在地全市城镇居民人均可支配收入
- C.所在地全省城镇居民人均可支配收入
- D.全国城镇居民人均可支配收入
- 查看答案
甲公司为一家电梯生产企业,乙公司为一家有资质的电梯维护保养企业,丙公司为一家大型商场,丙公司从甲公司购置了一部电梯,并与乙公司签订了电梯维护保养合同,委托乙公司负责该电梯的维护保养。下列关于该电梯使用安全管理的表述中,正确的是()。
-
- A.丙公司负责电梯报废后的拆除工作
- B.乙公司应建立该电梯的安全技术档案
- C.乙公司应至少每月对电梯进行一次清洁、润滑、调整和检查
- D.甲公司应对该电梯安全运行方面存在的问题,提出使用改进建议
- 查看答案
依据《工伤保险条例》的规定,下列应当认定为工伤的情形有()。
-
- A.某职工违章操作机床,造成右臂骨折
- B.某职工外出参加会议期间,在宾馆内洗澡时滑倒,造成腿骨骨折
- C.某职工在上班途中,受到非本人主要责任的交通事故伤害
- D.某职工在下班后清理机床时,机床意外启动造成职工受伤
- E.某职工在易燃作业场所内吸烟,导致火灾,本人受伤
- 查看答案
某县人民政府安全生产委员会组织安全生产监督管理部门、公安消防部门对辖区内的造纸行业进行综合执法检查。检查期间接到举报,继而发现某造纸厂存在违法存放、使用危险化学品的行为,检查组对该造纸厂予以处理。下列安全生产监督管理部门的做法中,属于执法不当的是( )。
-
- A.对重大事故隐患当场做出停产、停水停电的决定
- B.监督检查造纸厂应急救援预案与政府预案的融合性
- C.对举报造纸厂安全生产违法行为的人员给予奖励
- D.严格履行有关行政许可的审查职责
- 查看答案
57岁的王某在甲市某机械制造企业工作30年,半年前王某在加工零件时发生事故,经市社会保险行政部门认定为工伤,后经市劳动能力鉴定委员会鉴定为生活部分不能自理、伤残三级。关于王某因工致残可享受待遇的说法,正确的是()。
-
- A.王某可按照甲市前三年年度职工月平均工资的50%按月从工伤保险基金领取生活护理费
- B.企业要求王某解除劳动关系,退出工作岗位,但王某可从工伤保险基金一次性领取23个月的本人工资作为伤残补助金
- C.王某可从工伤保险基金按月领取本人工资的80%为伤残津贴,如领取津贴低于当地最低工资标准的,由用人单位补足差额
- D.王某达到退休年龄并办理退休手续后,应停发伤残津贴,享受当地基本养老保险待遇。如基本养老保险待遇低于伤残津贴的,由工伤保险基金补足差额
- 查看答案