背景资料
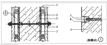
A 公司中标某供水厂的扩建工程,主要内容为一座在建调蓄水池。水池长 65m,宽 32m。为现 浇钢筋混凝土结构,筏板式基础。新建水池采用明挖基坑施工。A 公司施工项目部编制了施工组 织设计,其中含现浇混凝土水池施工方案和基坑施工方案。水池施工方案中有如下内容:采用穿 墙螺栓来平衡混凝土浇筑对模板侧压力,应选用两端可拆卸的螺栓。固定模板用螺栓的防水构造 示意图如下:

施工中发生以下事件:
事件一:池壁和顶板连续施工,为增强整体性,项目部拟将顶板支架斜杆与池壁模板杆件相 连接;池壁模板安装时,内外模均采用一次安装到顶的施工方法,没有考虑模板间杂物清扫措施。 施工缝处的橡胶止水带采用叠接,在止水带上穿孔固定就位。
事件二:施工正值雨期,基坑内地下水位急剧上升,为避免出现水池漂移,施工单位拟采取 如下措施:(1)准备了应急供电用的发电机和多台水泵。(2)可能情况下引入地下水和地表水, 使池内外无水位差。
事件三:项目进展顺利,竣工前有关部门进行施工技术文件预验收时,发现项目部人员正在 补填许多施工过程文件,且施工技术文件不完全。
【问题】
1.请指出图中 3 和 7 的名称。
2.试指出事件一中的错误之处并改正。
3.补充事件二避免水池上浮的其他措施。
4.事件三中,项目部施工技术文件的编制过程存在哪些问题?
正确答案及解析
正确答案
解析
1.3——防渗止水环(片);7——(防水)水泥砂浆。
2.①错误一:顶板支架斜杆与池壁模板杆件相连接错误。
正确做法:顶板支架斜杆与池壁模板杆件应完全分离;
②错误二:没有考虑模板间杂物清扫措施错误。
正确做法:装池壁的最下一层模板时,应在适当位置预留清扫杂物用的窗口;
③错误三:橡胶止水带采用叠接错误。
正确做法:橡胶止水带应采用热接;
④错误四:在止水带上穿孔固定就位错误。正确做法:应用架立筋固定就位。
3.基坑四周设防汛墙、排水沟、截水沟;水池下面及基坑内四周埋设排水盲管和抽水设备。
4.竣工验收前补填施工文件不合规范,应随施工进度及时整理,并应真实、准确、齐全。
你可能感兴趣的试题
承包人已经提交竣工验收报告,发包人拖延验收的,竣工日期()。
-
- A.以合同约定的竣工日期为准
- B.相应顺延
- C.以承包人提交竣工报告之日为准
- D.以实际通过的竣工验收之日为准
- 查看答案
(2019年) 根据《建筑施工企业负责人及项目负责人施工现场带班暂行办法》,属于建筑施工企业负责人的是 ( )。
-
- A.实际控制人
- B.副总工程师
- C.主管经营的副总经理
- D.项目经理
- 查看答案
(2019年) 关于建筑施工企业安全生产许可证的说法,正确的是( )。
-
- A.建筑施工企业变更法定代表人,应当办理安全生产许可证的变更手续
- B.安全生产许可证有效期可以自动延期
- C.安全生产许可证延期后的有效期短于原有效期
- D.建筑施工企业变更地址,安全生产许可证无须办理变更手续
- 查看答案
关于工程量清单计价方式下竣工结算的编制原则,下列说法中正确的是( )。
-
- A.措施项目费按双方确认的工程量乘以已标价工程量清单的综合单价计算
- B.总承包服务费按已标价工程量清单的金额计算,不应调整
- C.暂列金额应减去工程价款调整的金额,余额归承包人
- D.工程实施过程中发承包双方已经确认的工程计量结果和合同价款,应直接进入结算
- 查看答案
把施工所需的各种资源、生产、生活活动场地及各种临时设施合理地布置在施工现场,使整个现场能有组织地进行文明施工,属于施工组织设计中( )的内容。
-
- A.施工部署
- B.施工方案
- C.安全施工专项方案
- D.施工平面图
- 查看答案