题目详情

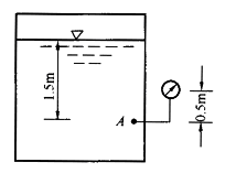
图示密闭水箱,压力表测得压强为5kN/m2,压力表中心比A点高0.5m,A点在液面下1.5m。则液面压强为( )。

岩土基础知识,章节练习,基础复习,注册岩土基础知识模拟

  • A.9.7kPa
  • B.-9.7kPa
  • C.4.8kPa
  • D.-4.8kPa

正确答案及解析

正确答案
D
解析
暂无解析

你可能感兴趣的试题

单选题

TCP/IP协议是Internet中计算机之间通信所必须共同遵循的一种:

  • A.信息资源
  • B.通信规定
  • C.软件
  • D.硬件
查看答案
单选题

IP地址能唯一地确定Internet上每台计算机与每个用户的:

  • A.距离
  • B.费用
  • C.位置
  • D.时间
查看答案
单选题

岩土基础知识,点睛提分卷,2023年注册岩土工程师《公共基础考试》点睛提分卷1

岩土基础知识,点睛提分卷,2023年注册岩土工程师《公共基础考试》点睛提分卷1

  • A.见图A
  • B.见图B
  • C.见图C
  • D.见图D
查看答案
单选题

岩土基础知识,点睛提分卷,2023年注册岩土工程师《公共基础考试》点睛提分卷1

岩土基础知识,点睛提分卷,2023年注册岩土工程师《公共基础考试》点睛提分卷1

  • A.见图A
  • B.见图B
  • C.见图C
  • D.见图D
查看答案
单选题

岩土基础知识,点睛提分卷,2023年注册岩土工程师《公共基础考试》点睛提分卷1

岩土基础知识,点睛提分卷,2023年注册岩土工程师《公共基础考试》点睛提分卷1

  • A.见图A
  • B.见图B
  • C.见图C
  • D.见图D
查看答案

相关题库更多 +