题目详情

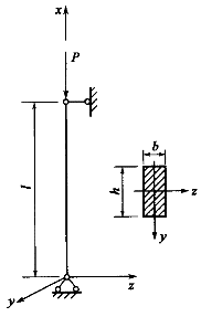
图示两端铰支压杆的截面为矩形,当其失稳时:

岩土基础知识,章节练习,基础复习,注册岩土基础知识模拟

  • A.临界压力Pcr=π2EI∥ι^2,挠曲线位于xy面内
  • B.临界压力Pcr=π2EI∥ι^2,挠曲线位于xy面内
  • C.临界压力Pcr=π2EI∥ι^2,挠曲线位于xy面内
  • D.临界压力Pcr=π2EI∥ι^2,挠曲线位于xz面内

正确答案及解析

正确答案
B
解析

根据临界压力的概念,临界压力是指压杆由稳定开始转化为不稳定的最小轴向压力。由公式

基础知识,章节练习,土木基础知识模拟

可知,当压杆截面对某轴惯性矩最小时,则压杆截面绕该轴转动并发生弯曲最省力,即这时的轴向压力最小。显然图示矩形截面中ly是最小惯性矩,并挠曲线应位于xz面内。

你可能感兴趣的试题

单选题

TCP/IP协议是Internet中计算机之间通信所必须共同遵循的一种:

  • A.信息资源
  • B.通信规定
  • C.软件
  • D.硬件
查看答案
单选题

IP地址能唯一地确定Internet上每台计算机与每个用户的:

  • A.距离
  • B.费用
  • C.位置
  • D.时间
查看答案
单选题

岩土基础知识,章节练习,岩土基础知识预测岩土基础知识,章节练习,岩土基础知识预测

  • A.见图A
  • B.见图B
  • C.见图C
  • D.见图D
查看答案
单选题

岩土基础知识,章节练习,岩土基础知识预测

  • A.33.35
  • B.42.7
  • C.66.7
  • D.77.25
查看答案
单选题

岩土基础知识,章节练习,岩土基础知识预测

  • A.增加1倍
  • B.为原来的4倍
  • C.为原来的1/4
  • D.为原来的1/2
查看答案

相关题库更多 +