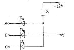
图为三个二极管和电阻R组成一个基本逻辑门电路,输入二极管的高电平和低电平分别是3V和0V,电路的逻辑关系式是:

- A.Y=ABC
- B.Y=A+B+C
- C.Y=AB+C
- D.Y=(A+B)C
正确答案及解析
正确答案
A
解析
提示:首先确定在不同输入电压下三个二极管的工作状态,依此确定输出端的电位UY;然后判断各电位之间的逻辑关系,当点电位高于2.4V时视为逻辑状态“1”,电位低于0.4V时视为逻辑“0”状态。
图为三个二极管和电阻R组成一个基本逻辑门电路,输入二极管的高电平和低电平分别是3V和0V,电路的逻辑关系式是:

提示:首先确定在不同输入电压下三个二极管的工作状态,依此确定输出端的电位UY;然后判断各电位之间的逻辑关系,当点电位高于2.4V时视为逻辑状态“1”,电位低于0.4V时视为逻辑“0”状态。