题目详情

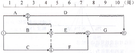
(2015年真题)某工程时标网络图如下图所示。计划执行到第5周末检查实际进度。发现D工作尚需3周完成,E工作尚需1周完成,F工作刚刚开始。由此可以判断出( )。

建设工程造价管理,章节练习,建设工程造价管理章节真题

正确答案及解析

正确答案
A、B、E
解析

2021教材P138

本题考查的是网络计划执行中的控制。选项C,E工作按计划完成;选项D,F工作进度影响总工期。

你可能感兴趣的试题

单选题

根据《招标投标法实施条例》,依法必须进行招标的项目可以不进行招标的情形是()。

  • A.受自然环境限制只有少量潜在投标人
  • B.需要采用不可替代的专利或者专有技术
  • C.招标费用占项目合同金额的比例过大
  • D.因技术复杂只有少量潜在投标人
查看答案
单选题

下列工程中,属于分部工程的是( )

  • A.既有工厂的车间扩建工程
  • B.工业车间的设备安装工程
  • C.房屋建筑的装饰装修工程
  • D.基础工程中的土方开挖工程
查看答案
多选题

建设工程项目采用Partnering模式的特点有( )。

  • A.Partnering协议是工程建设参与各方共同签署的协议
  • B.Partnering协议是工程合同文件的组成部分
  • C.Partnering模式需要工程建设参与各方高层管理者的参与
  • D.Partnering模式强调资源共享和风险分担
  • E.Partnering模式可以独立于其他承包模式而存在
查看答案
单选题

根据《工程造价咨询企业管理办法》,工程造价咨询企业可被处1万元以上3万元以下罚款的情形是( )。

  • A.跨地区承接业务不备案的
  • B.出租、出借资质证书的
  • C.设立分支机构未备案的
  • D.提供虚假材料申请资质的
查看答案
单选题

关于《国务院关于投资体制改革的决定》,特别重大的政府投资项目应实行( )制度。

  • A.网上公示
  • B.咨询论证
  • C.专家评议
  • D.民众听证
查看答案

相关题库更多 +