题目详情

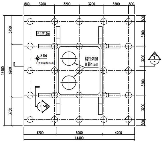
某城市生活垃圾焚烧发电厂钢筋混凝土多管式(钢内筒)80m高烟囱基础,如图1“钢内筒烟囱基础平面布置图”、图2“旋挖钻孔灌注桩基础图”所示。已建成类似工程钢筋用量参考指标见表“单位钢筋混凝土钢筋参考用量表”。

土建建设工程计量与计价实务,章节练习,基础复习,章节基础

土建建设工程计量与计价实务,章节练习,基础复习,章节基础

图钢内筒烟囱基础平面布置图

土建建设工程计量与计价实务,章节练习,基础复习,章节基础

表单位钢筋混凝土钢筋参考用量表

土建建设工程计量与计价实务,章节练习,基础复习,章节基础

【问题】

1.根据该多管式(钢内筒)烟囱基础施工图纸、技术参数及参考资料,及表2给定的信息,按《房屋建筑与装饰工程工程量计算规范》(GB 50584—2013)的计算规则,在表2“工程量计算表”中,列式计算该烟囱钢筋混凝土基础分部分项工程量(筏板上8块FB辅助侧板的斜面在混凝土浇捣时必须安装模板)。

表2 工程量计算表

土建建设工程计量与计价实务,章节练习,基础复习,章节基础

2.根据问题1的计算结果,及表3中给定的信息,按《建设工程工程量清单计价规范》(GB 50500—2013)的要求,在表3“分部分项工程和单价措施项目清单与计价表”中,编制该烟囱钢筋混凝土基础分部分项工程和单价措施项目清单与计价表。

表3 分部分项工程和单价措施项目清单与计价表?

土建建设工程计量与计价实务,章节练习,基础复习,章节基础

3.假定该整体烟囱分部分项工程费为2000000.00元;单价措施项目费为150000.00元;总价措施项目仅考虑安全文明施工费,安全文明施工费按分部分项工程费的3.5%计取;其他项目考虑基础基坑开挖的土方、护坡、降水专业工程暂估价为110000.00元(另计5%总承包服务费);人工费占比分别为分部分项工程费的8%、措施项目费的15%;规费按人工费的21%计取,增值税税率按10%计取。按《建设工程工程量清单计价规范》(GB 50500—2013)的要求,列式计算安全文明施工费、措施项目费、人工费、总承包服务费、规费、增值税,并在表4“单位工程最高投标限价汇总表”中编制该钢筋混凝土多管式(钢内筒)烟囱单位工程最高投标限价。

表4 单位工程量最高投标限价汇总表

土建建设工程计量与计价实务,章节练习,基础复习,章节基础

 (上述问题中提及的各项费用均不包含增值税可抵扣进项税额。所有计算结果均保留两位小数)

正确答案及解析

正确答案
解析

1.根据该多管式(钢内筒)烟囱基础施工图纸、技术参数及参考资料,及表2给定的信息,该烟囱钢筋混凝土基础分部分项工程量结果见表。

工程量计算表

土建建设工程计量与计价实务,章节练习,基础复习,章节基础

2.根据问题1的计算结果,及表3中给定的信息,分部分项工程和单价措施项目清单与计价表结果见表。

分部分项工程和单价措施项目清单与计价表

土建建设工程计量与计价实务,章节练习,基础复习,章节基础

3.安全文明施工费、措施项目费、人工费、总承包服务费、规费、增值税计算如下:

(1)安全文明施工费为:2000000.00×3.5%=70000.00(元);

措施项目费为:150000.00+70000.00=220000.00(元);

人工费为:2000000.00×8%+220000.00×15%=193000.00(元);

总承包服务费为:110000.00×5%=5500.00(元);

规费为:193000.00×21%=40530.00(元);

增值税为:(2000000.00+220000.00+110000.00+5500.00+40530.00)×10%=237603.00(元)。

(2)该钢筋混凝土多管式(钢内筒)烟囱单位工程最高限价结果见表。

单位工程最高投标限价汇总表

土建建设工程计量与计价实务,章节练习,基础复习,章节基础

你可能感兴趣的试题

单选题

根据《国务院关于投资体制改革的决定》实行备案制的项目是()。

  • A.政府直接投资的项目
  • B.采用资金注入方式的政府投资项目
  • C.政府核准的投资项目目录外的企业投资项目
  • D.政府核准的投资项目目录内的企业投资项目
查看答案
单选题

根据《国务院关于投资体制改革的决定》,对于采用直接投资和资本金注入方式的政府投资项目,除特殊情况外,政府部门不再审批()。

  • A.开工报告
  • B.初步设计
  • C.工程概算
  • D.可行性研究报告
查看答案
多选题

根据《民法典》,下列各类合同中,属于无效合同的有()。

  • A.恶意串通损害第三人利益的合同
  • B.一方以欺诈手段订立的合同
  • C.一方乘人之危订立的合同
  • D.损害社会公共利益的合同
  • E.订立合同时显失公平的合同
查看答案
单选题

在下列情形中,不构成缔约过失责任的是()。

  • A.假借订立合同,恶意进行磋商
  • B.故意隐瞒与订立合同有关的重要事实或者提供虚假情况
  • C.有其他违背诚实信用原则的行为
  • D.当事人在履行合同中没有全面地履行合同的内容
查看答案
单选题

根据《建筑工程施工质量验收统一标准》 , 下列工程中, 属于分项工程的是( ) 。

  • A.计算机机房工程
  • B.轻钢结构工程
  • C.土方开挖工程
  • D.外墙防水工程
查看答案

相关题库更多 +