背景资料
某水库除险加固工程包括主坝、副坝加固及防汛公路改建等内容,主、副坝均为土石坝。发包人与承包人签订了施工合同。合同约定的节点工期要求:合同工期200天,2012年10月1日开工。项目部技术人员根据资源配置的基本条件,编写了该工程各工作的逻辑关系及持续时间表(见下表所示),并据此绘制初始网络进度计划(如下图所示),经监理单位审核后修正并补充完整。
水库除险加固工程各工作逻辑关系及持续时间表

工程如期开工,施工中发生如下事件:
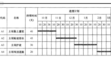
事件1:依据已批准的进度计划,结合现场实际,项目部制定了主坝项目的横道图进度计划如下:
注:除主坝项目外,其余项目均按网络计划买施。
事件2:由于移民搬迁问题,C工作时断时续,2013年1月15日全部完成,由此增加费用3万元。
事件3:因修理损坏的灌浆设备,导致A1工作延误了3天,造成机械闲置、人员窝工费用为1.5万元/天。
事件4:A4工作从2013年2月16日开始,因部分坝顶道路压实度没达到质量要求,需返工处理,A4工作的实际持续时间为32天,工程费用增加2万元。
问题
1.根据表,在初始网络进度计划图的基础上,绘制完整正确的网络进度计划。
2.指出主坝项目在网络进度计划中的总工期,最迟完成日期。
3.根据事件1,指出横道图进度计划与监理单位批准的网络图进度计划的不同之处;判断主坝项目的横道图进度计划能否满足网络图计划要求,并说明理由。若能满足要求,则按横道图进度计划施工,若不能满足要求,则按网络图进度计划施工。
4.指出事件2、事件3、事件4的责任方,并分别分析对工期的影响。
5.综合上述事件,计算实际总工期;承包人有权提出增加多少费用和延长多少工期的要求?简要说明理由。
正确答案及解析
正确答案
解析
1. 完整正确的网络进度计划如下:

①→⑤为C工作、持续时间60天;
③→⑥、④→⑦增加虚箭线(虚工作);
⑦→⑧B3工作的持续时间应为35天。
2.
主坝项目的计划工期为170天,最迟完成日期2013年3月20日。
3.
(1)横道图进度计划(简称:横道图)与网络进度计划(简称:网络图)不同之处:
①A2工作持续时间网络图为50天,横道图为45天。
②A3工作开始日期网络图为2013年1月1日,与其他工作无搭接,横道图为2012年12月21日,与A2工作搭接5天。
③A4工作在网络图中持续时间20天,总时差为15天,可以在2013年2月16日至2013年3月20日期间安排,横道图从2013年2月11日开始,持续时间30天。
(2)主坝项目横道图进度计划能满足网络进度计划要求。
理由:主坝项目横道图从2012年10月1日开始,可于2013年3月10日完成,没超过主坝项目的最迟完成日期为2013年3月20日,且A3和A4工作共有10天的总时差。
4.
事件2的责任方为发包人,C工作计划最迟完成日期为2013年1月30日,实际完成日期为2013年1月15日,不影响工期。
事件3的责任方为承包人,A1工作按横道图延误了3天,A2、A3、A4、B1工作的开始时间将推迟,但3天的延误时间并没有超过总时差,不影响工期。
事件4的责任方为承包人,A4工作从2013年2月16日开始,32天后为2013年3月17日完成,未超过3月20日的最迟完成时间,不影响工期。
5.
实际总工期为200天,承包人有权提出增加3万元的费用要求,无权提出延长工期的要求。
理由:事件2为发包人责任,承包人有权提出增加费用要求,而事件3、事件4为承包人责任,增加的费用和延长的工期由承包人自行承担。
你可能感兴趣的试题
根据《招标投标法实施条例》,视为投标人相互串通投标的情形有( )。
-
- A.投标人之间协商投标报价
- B.不同投标人委托同一单位办理投标事宜
- C.不同投标人的投标保证金从同一单位的账户转出
- D.不同投标人的投标文件载明的项目管理成员为同一人
- E.投标人之间约定中标人
- 查看答案
某建设工程项目中标人与招标人签订合同并备案的同时,双方针对结算条款签订了与备案合同完全不同的补充协议。后双方因计价问题发生纠纷,遂诉至法院。法院此时应该( )作为结算工程款的依据。
-
- A.双方达成的补充协议
- B.双方签订的备案合同
- C.类似项目的结算价格
- D.市场的平均价格
- 查看答案
建筑安装工程费用项目组成中,暂列金额主要用于( )。
-
- A.施工合同签订时尚未确定的材料设备采购费用
- B.施工图纸以外的零星项目所需的费用
- C.隐藏工程二次检验的费用
- D.施工中可能发生的工程变更价款调整的费用
- E.项目施工现场签证确认的费用
- 查看答案
混凝土拌合物的和易性包括( )。
-
- A.保水性
- B.耐久性
- C.黏聚性
- D.流动性
- E.抗冻性
- 查看答案
某医院病房楼,当设计无要求时,室内疏散楼梯净宽度最小值是()。
-
- A.1.1m
- B.1.2m
- C.1.3m
- D.1.5m
- 查看答案