A 公司在南方沿海城市承建了一项石油气储存罐区扩容改造工程,工程包括,新建2 台5000 立方米的天然气球罐和2 台2000 立方米的液化石油气球罐。施工内容有:球罐混凝土基础工程、球罐工程,包括球罐组对、焊接、检验试验、整体热处理,系统管道工程等。新建的天然气球罐位于原罐区的东侧,与原有的天然气球罐相邻,中间有一条6m 宽的检修道路相隔,新建的液化石油气罐紧邻原有的4 台1000 立方米的液化石油气罐区北侧。并在一个防火围堰区内。
根据工程的实施计划,新建工程施工期间,原油气储存罐区正常运行,仅在新旧系统切接时,对旧球罐做临时关闭。该区属于甲类危险防火区,又地处城市边缘,对安全和环境保护要求高。安装公司根据工程现场情况,组建了有管理经验的项目部,安装绿色施工的管理理念,强化职业健康安全管理,建立了项目部风险管理组和项目部绿色施工管理体系在施工过程中,项目部采取了以下措施:
(1)加强防火安全管理,在新旧罐之间,搭建防火墙,划出隔离区
(2)项目部组织安全生产教育,在施工过程中,安装公司组织了与工程对应的季节、专业、综合等安全检查。以保障施工过程安全。
(3)球罐采用节省施工场地的散装法组织,射线检测采用γ 射线全景曝光技术。
(4)管道施工采用了工厂化预制,精确下料,保证预制质量,加大管道预制深度,减少现场组焊的工作量减少和避免浪费
(5)采用新型钢脚手架
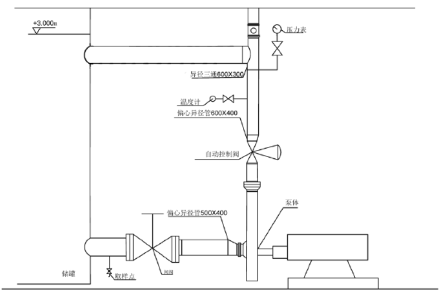
储罐与泵连接如图。监理工程师检查时发现:该储罐采用三米高的标准钢板现场焊接制作。储罐与泵之间管道已按图所示安装完毕,泵基础一次灌浆已完成,机架二次灌浆还未灌注。泵出口管道与回流管已按(9)“温度取源部件在压力取源部件的上游侧”不妥。
措施:将压力取源部件改在温度取源部件的上游侧。图所示安装完毕,但泵出管道还未与主管廊连接完成。施工单位提出:泵入口闸阀不能确定介质流向,无法按照介质流向确定阀门安装方向所有工程完工后,项目部进行了风险后评价,对已完成的项目进行分析、检查和总结。

问题:
1. 国内球形罐整体热处理一般采用什么方法?整体热处理前应该具备哪些条件?
2. 分析本工程有哪些环境污染因素?应采取哪些对应的措施?
3. 分析项目部在施工过程中采取的措施中,有哪些符合绿色施工的要求?各属于4 节
1 环保的哪个方面?
4. 本工程还应有哪些安全检查?安全检查的重点是什么?
5. 指出本案例中施工不妥之处,并提出整改措施。
正确答案及解析
正确答案
解析
1. 国内球形罐整体热处理一般采用什么方法?整体热处理前应该具备哪些条件?
P105 1H413040 静置设备及金属结构安装技术
【答案】球形罐整体热处理一般采用内燃法;
整体热处理前的条件有:热处理施工方案已批准;与球形罐受压件连接的焊接工作全部完成,各项无损检测工作全部完成并合格;加热系统已调试合格;工序交接验收 前面工序已经完成,办理工序交接手续。
2. 分析本工程有哪些环境污染因素?应采取哪些对应的措施?
P364 1H420110 机电工程施工现场职业健康安全与环境管理
【答案】(1)球罐焊接电焊弧光产生的光污染和烟尘污染,作业人员应采取防护措施,夜间电焊作业应采取遮挡措施,避免电焊弧光外泄。
(2)在球罐内作业,空气不流通,容易造成人员的窒息和中毒,应对措施:罐内作业要采取通风措施,照明采用安全电压等。
(3)射线污染,防护措施:射线检测施工时间错开,划出射线安全隔离区并有专人看护,操作人员穿戴好防护用品。
(4)污水、废油、化学品的排放产生的污染,措施:回收再利用或集中处理,防止向地面或下水道直接排放。
3. 分析项目部在施工过程中采取的措施中,有哪些符合绿色施工的要求?各属于4 节
1 环保的哪个方面?
P363 1H420110 机电工程施工现场职业健康安全与环境管理
【答案】“四节一环保”指节能、节材、节水、节地和环境保护( 或:节能与能源利用、节材与材料资源利用、节水与水资源利用、节地与施工用地保护、环境保护) 。背景中项目部符合绿色施工要求的在措施有:
(1)对混凝土基础施工采用节材的新型模板,管道施工进行精确下料,属于节材措施;
(2)球罐采用散装法组装,管道施工实行工厂化预制,属于节地措施;
(3)球罐射线检测采用γ 射线全景曝光技术,采用这种方法能够减小射线检测的总的用时用工,属于环境保护措施。
4. 本工程还应有哪些安全检查?安全检查的重点是什么?
P360 1H420110 机电工程施工现场职业健康安全与环境管理
【答案】还应有的安全检查是:定期性安全检查,经常性安全检查,不定期性安全检查。安全检查的重点是:违章指挥和违章作业。
5. 指出施工不妥之处,并提出整改措施。
【答案】(1)“泵入口采用底平偏心异径管”不妥。
措施:泵入口应采用顶平偏心异径管。将泵机架架高按顶平偏心异径管高度精找正后再进行泵基础二次灌浆。

(2)“泵出口采用偏心异径管”
不妥。 措施:将偏心异径管拆下,改为同心异径管。

【补充】异径管:同心异径主要用在竖向管道中;偏心的主要用在水平管道中,顶平还
是底平要看输送的工质种类,主要为了避免产生气囊和液囊。

(3)“泵入口与出口采用刚性连接”不妥。
措施:在泵入口、出口处各加入一段挠性接头(软连接)

(4)“温度计前加阀门,且水平插入垂直管道中”不妥。
措施:将阀门拆下,温度计垂直插入垂直管道中。

(5)“压力表前无表弯”不妥。
措施:将压力表前加设表弯。

(6)“压力取源部件选在管道三通焊缝处开孔”不妥。
措施:将取源部件在管道开孔位置改动,不得在焊缝及其边缘上开孔及焊接

(9)“温度取源部件在压力取源部件的上游侧”不妥。
措施:将压力取源部件改在温度取源部件的上游侧。
你可能感兴趣的试题
根据《招标投标法实施条例》,视为投标人相互串通投标的情形有( )。
- 
                
- A.投标人之间协商投标报价
 - B.不同投标人委托同一单位办理投标事宜
 - C.不同投标人的投标保证金从同一单位的账户转出
 - D.不同投标人的投标文件载明的项目管理成员为同一人
 - E.投标人之间约定中标人
 
 - 查看答案
 
某建设工程项目中标人与招标人签订合同并备案的同时,双方针对结算条款签订了与备案合同完全不同的补充协议。后双方因计价问题发生纠纷,遂诉至法院。法院此时应该( )作为结算工程款的依据。
- 
                
- A.双方达成的补充协议
 - B.双方签订的备案合同
 - C.类似项目的结算价格
 - D.市场的平均价格
 
 - 查看答案
 
关于施工图预算和施工预算的说法,错误的是( )。
- 
                
- A.施工预算的材料消耗量一般低于施工图预算的材料消耗量
 - B.施工预算是施工企业内部管理的一种文件,与建设单位无直接关系
 - C.施工预算的用工量一般比施工图预算的用工量低
 - D.施工图预算中的脚手架是根据施工方案确定的搭设方式和材料计算的
 
 - 查看答案
 
根据《中华人民共和国招标投标法》及相关法规,对必须招标的项目,招标人行为符合要求的是( )。
- 
                
- A.就同一招标项目向潜在投标人提供有差别的项目信息
 - B.委托两家招标代理机构,设置两处报名点接受投标人报名
 - C.以特定行业的业绩、奖项作为加分条件
 - D.限定或者指定特定的品牌
 
 - 查看答案
 
关于建设工程管理内涵的说法,正确的是( )。
- 
                
- A.建设工程项目管理和设施管理即为建设工程管理
 - B.建设工程管理不涉及项目使用期的管理方对工程的管理
 - C.建设工程管理是对建设工程的行政事务管理
 - D.建设工程管理工作是一种增值服务
 
 - 查看答案