背景资料:
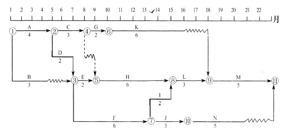
某石化工程项目业主与施工单位签订了施工合同。施工合同工期为22个月。在工程开工前,施工单位在合同约定的日期内向业主提交了施工总进度计划(如下图所示)和一份工程报告。

工程报告的主要内容是:
(1)鉴于本项目需要安装专业的进口设备,需要将设备安装工程分包给专业安装公司。
(2)本项目两侧临道路,且为行人过往要道,故需在施工之前搭设遮盖式防护棚,以保证过往行人的安全。
此项费用未包含在投标报价中,业主应另行支付。
业主对施工单位提交的施工进度计划和工程报告进行了审核。施工单位按业主确认的进度计划施工O.5个月后,因业主要求需要修改设计,致使工作K(吊装工作)停工2.5个月。设计变更后,施工单位及时向业主提出索赔申请表见下表。

在施工过程中,部分施工机械由于运输原因未能按时进场,致使工作H的实际进度在第12月底时拖后1个月。在工作F进行过程中,发生质量事故,该质量事故是由于施工单位施工工艺不符合施工规范要求所致。业主
责成施工单位返工,工作F的实际进度在12月底时拖后1个月。
问题:
1.为了确保本项目工期目标的实现,施工进度计划中哪些工作应作为重点控制对象?为什么?
2.施工单位工程报告中的各项要求会得到什么样的处理?
3.施工单位在索赔申请表中所列的内容和数量,经审查后均属真实,但费用计算有不妥之处,请说明费用计算不妥的项目及理由。
4.处理质量事故时所需的资料有哪些?
5.请在原进度计划中用前锋线表示出第12月底时工作K、H和F的实际进展情况,并分析进度偏差对工程总\工期的影响。
6.如果施工单位提出工期顺延2.5个月的要求,可否获得批准,可获批准工程延期为多少?为什么?
正确答案及解析
正确答案
解析
1.工作A、D、E、H、L、M、F、I应作为重点控制对象。因为它们是关键工作(总时差为零)。
2.工程报告内容中的第(1)条分包问题,如果业主同意分包,业主需要审查分包商资质。如果业主不同意分
包,则不得分包。工程报告中的第(2)条内容,此项费用不应由业主支付。
3.施工单位的索赔申请表中的第1、2项费用计算不妥。因为设备闲置不能按台班费计算(或应按折旧费、租赁费或闲置补偿计算),人工窝工不能按工日费计算(或应按窝工补偿费计算)。
4.处理质量事故时所需资料:
1)与工程质量事故有关的施工图;
2)与工程施工有关的资料、记录;
3)事故调查分析报告。
5.前锋线如下图所示:

从上图看出:
1)工作K拖后2.5个月,其总时差为2个月,故将影响工期0.5个月。
2)工作H拖后1个月,其总时差为零,故将使工期延长1个月。
3)工作F拖后1个月,其总时差为零,故将使工期延长1个月。
综上所述,由于工作K、H和F的拖后,工期将延长1个月。
6.可获批准工程延期0.5个月。因为工作H、F的拖后均属施工单位自身的原因造成的,只有工作K的拖后可以考虑给予工程延期。
由于工作K原有总时差为2个月,2.5-2=0.5月,故可获批准工程延期0.5个月。
你可能感兴趣的试题
根据《招标投标法实施条例》,视为投标人相互串通投标的情形有( )。
-
- A.投标人之间协商投标报价
- B.不同投标人委托同一单位办理投标事宜
- C.不同投标人的投标保证金从同一单位的账户转出
- D.不同投标人的投标文件载明的项目管理成员为同一人
- E.投标人之间约定中标人
- 查看答案
某建设工程项目中标人与招标人签订合同并备案的同时,双方针对结算条款签订了与备案合同完全不同的补充协议。后双方因计价问题发生纠纷,遂诉至法院。法院此时应该( )作为结算工程款的依据。
-
- A.双方达成的补充协议
- B.双方签订的备案合同
- C.类似项目的结算价格
- D.市场的平均价格
- 查看答案
建筑安装工程费用项目组成中,暂列金额主要用于( )。
-
- A.施工合同签订时尚未确定的材料设备采购费用
- B.施工图纸以外的零星项目所需的费用
- C.隐藏工程二次检验的费用
- D.施工中可能发生的工程变更价款调整的费用
- E.项目施工现场签证确认的费用
- 查看答案
关于施工图预算和施工预算的说法,错误的是( )。
-
- A.施工预算的材料消耗量一般低于施工图预算的材料消耗量
- B.施工预算是施工企业内部管理的一种文件,与建设单位无直接关系
- C.施工预算的用工量一般比施工图预算的用工量低
- D.施工图预算中的脚手架是根据施工方案确定的搭设方式和材料计算的
- 查看答案
采用工程总承包方式发包的工程,其工程总承包管理费应从( )中支出。
-
- A.建设管理费
- B.建设单位管理费
- C.建筑安装工程费
- D.基本预备费
- 查看答案