水库除险加固工程的主要工作内容有:坝基帷幕灌浆(A)、坝顶道路重建(B)、上游护坡重建(C)、上游坝体培厚(D)、发电隧洞加固(E)、泄洪隧洞加固(F)、新建混凝土截渗墙(G)、下游护坡重建(H)、新建防浪墙(I)。施工合同约定,工程施工总工期17个月(每月按30d计,下同),自2011年11月1日开工至2013年3月30日完工。
施工过程中发生了如下事件:事件三:坝顶道路施工中,项目法人要求设计单位将坝顶水泥混凝土路面变更为沥青混凝土路
事件一:施工单位根据工程具体情况和合同工期要求,将主要工作内容均安排在非汛期施工。工程所在地汛期为7~9月份。施工单位分别绘制了两个非汛期的施工网络进度计划图,如图2-1和图2-2所示。

监理工程师审核意见如下:
(1)上游护坡重建(C)工作应列入施工网络进度计划,并要确保安全度汛。
(2)应明确图2-1和图2-2施工进度计划的起止日期。
施工单位根据监理工程师审核意见和资源配置情况,确定上游护坡重建(C)工作持续时间为150d,C工作具体安排为:第一个非汛期完成总工程量的80%,其余工程量安排在第二个非汛期施工且在H工作之前完成。据此施工单位对施工网络进度计划进行了修订。监理工程师批准后,工程如期开工。
事件二:施工单位对发电隧洞加固(E)工作施工进度有关数据进行统计,绘制的工作进度曲线如图2-3所示。

事件三:坝顶道路施工中,项目法人要求设计单位将坝顶水泥混凝土路面变更为沥青混凝土路面。因原合同中无相同及类似工程,施工单位向监理工程师提交了沥青混凝土路面报价单。总监理工程师审定后调低该单价。施工单位认为价格过低,经协商未果,为维护自身权益遂停止施工,并书面通知监理工程师。
【问题】
1.分别写出图2-1、图2-2中施工网络进度计划的开始和完成日期。
2.根据事件1,用双代号非时标网络图编制出修订后的施工进度计划(用工作代码表示)。
3.根据事件2,指出E工作第60天末实际超额(或拖欠)计划累计工程量的百分比、提前(或)拖欠的天数。指出E工作实际持续时间,并简要分析E工作的实际进度对计划工期的影响。
4.事件3中,施工单位停工的做法是否正确?施工单位可通过哪些途径来维护自身权益?
正确答案及解析
正确答案
解析
1.图2-1中开始日期为2011年11月1日,完成日期为2012年6月30日,图2-2中开始日期2012年10月1日,完成日期为2013年3月30日
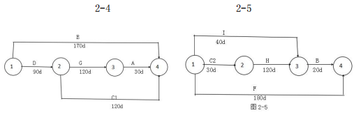
2.修订后的施工进度计划如图2-4、图2-5所示

3.E工作实际持续时间及其实进度对计划工期的影响
(1)第60天末,E工作实际拖欠计划累计工程量为12.1%;拖延20d
(2)E工作实际持续时间为180d天;不影响计划工期,因为E工作拖延时间为30d为超过E工作的总(自由)时差70d
4.施工单位停工的做法不对
施工单位可通过合同争议的处理维护自身权益,具体的途径包括:争议评审组评审(调节)、仲裁、诉讼
包含此试题的试卷
你可能感兴趣的试题
按照《建筑法》的规定,可以自愿投保的险种有()。
-
- A.机动车辆商业保险
- B.建筑工程一切险
- C.建筑职工工伤保险
- D.安装工程一切险
- E.建筑意外伤害险
- 查看答案
下列关于保险索赔的说法中,正确的是()。
-
- A.投保人进行保险索赔必须提供必要有效的证明
- B.投保人知道保险事故发生后,应当及时通知保险人
- C.保险单上载明的保险财产全部损失,应当按照全损进行保险索赔
- D.保险单上载明的保险财产部分损坏,但已无法修理,只能按照部分损坏进行索赔
- E.如果工程项目同时由多家保险公司承保,则应当平均分配索赔比例
- 查看答案
某住宅工程,建筑工程一切险的被保险人具体包括()。
-
- A.监理工程师
- B.路人
- C.钢筋工
- D.待入住人
- E.登高架设工
- 查看答案
保险事故发生后,依照保险合同请求保险人赔偿或者给付保险金时,投保人、被保险人或者受益人应当向保险人提供其所能提供的资料有()。
-
- A.保险单
- B.出险报告
- C.损失清单
- D.施救措施
- E.出险原因
- 查看答案
保险合同的当事人包括()。
-
- A.投保人
- B.保证人
- C.保险人
- D.被保险人
- E.受益人
- 查看答案