【背景资料】
A公司将某综合体机电安装工程以机电总承包的形式进行公开招标,通过各单位的竞标,最终B公司中标,工程由C公司实行监理。为了加快工程施工进度,经A公司同意,B公司将工程中的自动喷水灭火系统分包给D公司负责施工。经各建设方共同努力,工程进展顺利,按计划完成喷淋系统的各项安装工作。
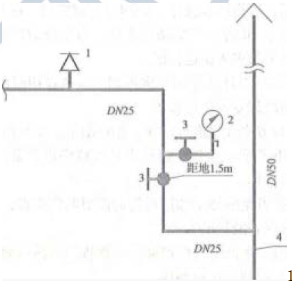
工程进入系统调试工作,D公司组织了相关人员进行了消防水泵调试、稳压泵调试、报警阀调试,完成后计划交付A公司组织进行系统联动试验。但A公司认为D公司还有部分系统调试工作未完成,同时对自动喷水灭火系统的末端试水装置的施工提出异议,现场实际安装情况如图2H320112所示,并要求整改。
D公司接受A公司的意见,立即组织人员按施工规范要求对末端试水装置的施工进行整改,并完成相关的系统调试工作,交付A公司进行联动试验。最后,在A公司的精心组织下,完成了系统的联动试验工作,各项性能指标均符合相关规定,工程验收合格。

1-最不利点喷头;2-压力表组;3-球阀;4-排水管
【问题】
1.请问末端试水装置安装存在哪些质量问题?并说明理由。
2.A公司认为D公司还有哪些系统调试工作未完成?
3.消防水泵调试的目的是什么?
4.自动喷水灭火系统联动试验除了组织者A公司外,参加的单位还应有哪些?
正确答案及解析
正确答案
解析
1.末端试水装置安装存在的质量问题:
(1)末端试水装置缺少试水接头;
(2)末端试水装置的出水与排水管直接连接;
(3)排水总管的管径偏小。
理由:按照《自动喷水灭火系统设计规范》GB 50084-2017规定:末端试水装置由试水阀、压力表以及试水接头组成;末端试水装置的出水,应取孔口出流方式排入排水管道,排水立管宜设伸顶通气管,且管径不应小于75mm。

2.自动喷水灭火系统调试内容包括:水源测试、消防水泵调试、稳压泵调试、报警阀调试、排水设施调试、联动调试。
A公司认为D公司还有未完成的系统调试工作有:水源测试、设施调试。
3.消防水泵调试的目的是考核消防水泵的机械性能,检验消防水泵的制造、安装质量和设备性能等是否符合规范和设计要求。
4.自动喷水灭火系统联动试验运行除了组织者A公司外,参加的单位还应有:施工单位(D公司)、总承包单位(B公司)、设计单位、监理单位(C公司)、重要机械设备的生产厂家。
你可能感兴趣的试题
承包人已经提交竣工验收报告,发包人拖延验收的,竣工日期()。
-
- A.以合同约定的竣工日期为准
- B.相应顺延
- C.以承包人提交竣工报告之日为准
- D.以实际通过的竣工验收之日为准
- 查看答案
(2019年) 根据《建筑施工企业负责人及项目负责人施工现场带班暂行办法》,属于建筑施工企业负责人的是 ( )。
-
- A.实际控制人
- B.副总工程师
- C.主管经营的副总经理
- D.项目经理
- 查看答案
(2019年) 关于建筑施工企业安全生产许可证的说法,正确的是( )。
-
- A.建筑施工企业变更法定代表人,应当办理安全生产许可证的变更手续
- B.安全生产许可证有效期可以自动延期
- C.安全生产许可证延期后的有效期短于原有效期
- D.建筑施工企业变更地址,安全生产许可证无须办理变更手续
- 查看答案
(2020年真题)根据《建设工程质量管理条例》,建设单位应当在施工前委托原设计单位或者具有相应资质等级的设计单位提出设计方案的是涉及( )的装修工程。
-
- A.改变建筑局部使用功能
- B.增加内部装饰
- C.增加投资额度
- D.建筑承重结构变动
- 查看答案
(2019年) 根据《建筑施工企业主要负责人、项目负责人和专职安全生产管理人员安全生产管理规定》,属于项 目负责人安全生产职责的是( )。
-
- A.建立项目安全生产管理体系
- B.建立安全生产管理制度
- C.监控分部分项工程
- D.及时报告质量问题
- 查看答案