题目详情

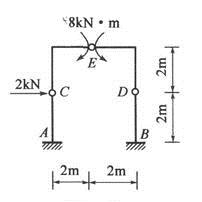
图所示刚架中,Μ?c等于(  )。

土木建筑类,章节练习,基础复习,结构力学

  • A.2kN·m(右拉)
  • B.2kN·m(左拉)
  • C.4kN·m(右拉)
  • D.6kN·m(左拉)

正确答案及解析

正确答案
C
解析

机械动力类,章节练习,结构力学

你可能感兴趣的试题

单选题

机械动力类,章节练习,结构力学

机械动力类,章节练习,结构力学

  • A.1∶1
  • B.1∶(-1)
  • C.1∶2
  • D.1∶(-2)
查看答案
单选题

机械动力类,章节练习,结构力学

机械动力类,章节练习,结构力学

  • A.见图A
  • B.见图B
  • C.见图C
  • D.见图D
查看答案
单选题

机械动力类,章节练习,结构力学

  • A.见图A
  • B.见图B
  • C.见图C
  • D.见图D
查看答案
单选题

机械动力类,章节练习,结构力学

  • A.0.65cm
  • B.4.02cm
  • C.0.223cm
  • D.0.472cm
查看答案
单选题

机械动力类,章节练习,结构力学

机械动力类,章节练习,结构力学

  • A.见图A
  • B.见图B
  • C.见图C
  • D.见图D
查看答案

相关题库更多 +